September 2023
Special focus: Upstream practices
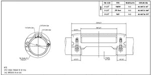
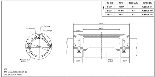
Delivering a full range of innovative well completion technologies
A UAE-based company is providing a specialist portfolio of high-specification completion equipment and services that encompasses the entire upper completion to a diverse range of clients in 30 countries.


